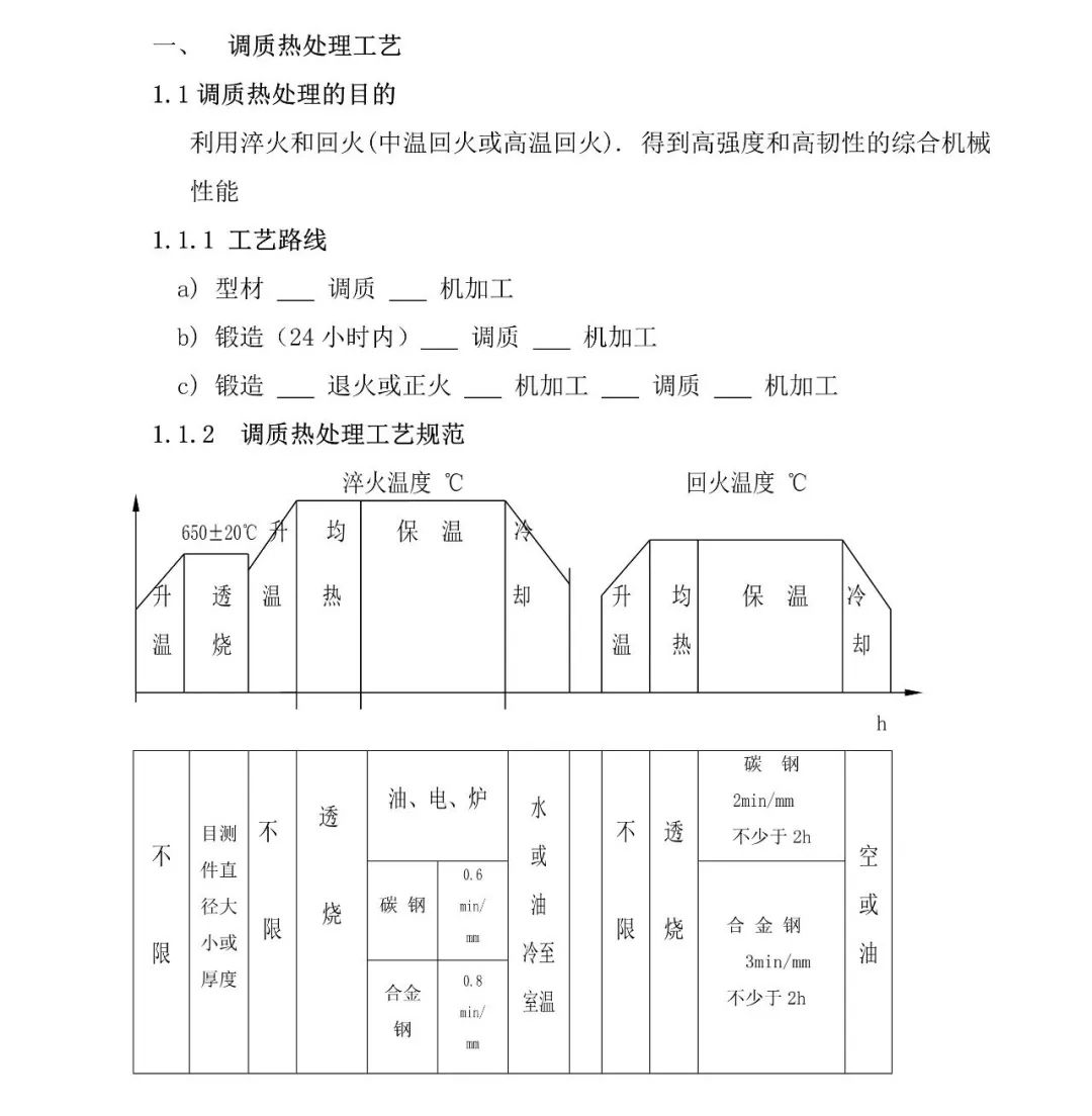
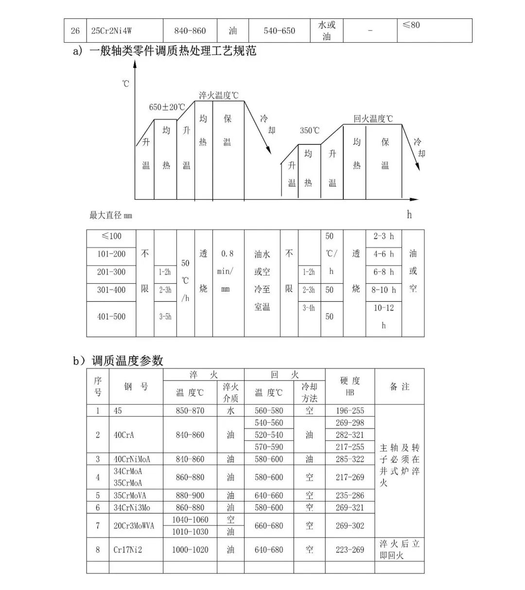
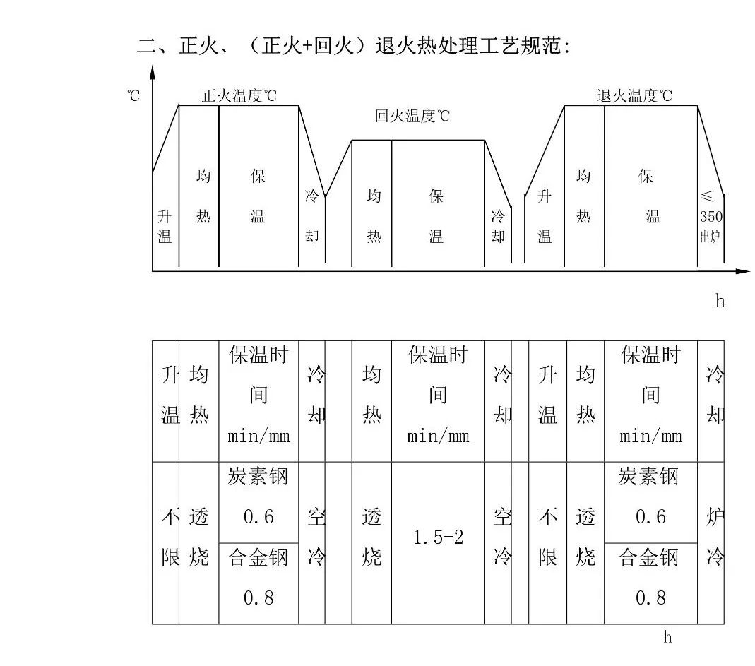
【熱處理工藝資料】通用熱處理工藝收錄
熱處理,鋼鐵性能,機械性能,熱處理技術,力學性能,時效熱處理,回火,淬火,正火,退火,鋼鐵性能,機械性能,力學性能,時效熱處理,退火,化學成份,晶體,正火,熱處理技術,回火,淬火,晶體結構,金相組織,顯微組織,珠光體,金相,鐵素體,碳素鋼,馬氏體,熱處理,工藝,生產技術,鋼鐵的相關熱處理技術.熱處理溫度,熱處理工藝卡,熱處理工藝路線.












文章來源:百度文庫
【熱處理工藝資料】通用熱處理工藝收錄
熱處理,鋼鐵性能,機械性能,熱處理技術,力學性能,時效熱處理,回火,淬火,正火,退火,鋼鐵性能,機械性能,力學性能,時效熱處理,退火,化學成份,晶體,正火,熱處理技術,回火,淬火,晶體結構,金相組織,顯微組織,珠光體,金相,鐵素體,碳素鋼,馬氏體,熱處理,工藝,生產技術,鋼鐵的相關熱處理技術.熱處理溫度,熱處理工藝卡,熱處理工藝路線.












文章來源:百度文庫
常州精密鋼管博客網推薦您訪問: |
|---|