高速工具鋼由于合金化程度高,適合于制作高速切削刃具,可保證刃部在650℃時實際硬度仍高于50HRC,具有優良的切削性和耐磨性。根據鋼中的主要元素成分,高速鋼可分成3類:鎢系高速鋼、鉬系高速鋼和鎢鉬系高速鋼。
高速鋼導熱率低,為減少工件在加熱時的變形開裂,縮短高溫保溫時間以減少脫碳,可采用預熱處理。一次預熱采用溫度800~850℃,兩次預熱即在800~850℃前加一次500~600℃預熱。一般工具可采用一次預熱工藝,形狀復雜的工具或大型工具宜采用兩次預熱。
淬火工藝在高溫鹽浴爐中進行,短時保溫以防止刃部脫碳和過熱,一般用油淬+空冷,對細長件和薄片刃具采用分級淬火,一般用580~620℃一次分級或再在350~400℃作第二次分級。我公司采用的冷卻方式為580~650℃、280~320℃的二次分級淬火。
高速鋼(W18Cr4V)淬火后的顯微組織如圖1所示,具有細晶粒組織,奧氏體晶界因淬火時有微量二次碳化物析出而易于浸蝕。淬火高速鋼回火的目的是從馬氏體中析出彌散碳化物,產生次生硬化效應,消除殘留奧氏體和淬火內應力。淬火后的殘留奧氏體合金度高,穩定性大,在回火加熱過程中不易分解,在500~600℃保溫時也僅從中析出合金碳化物,使殘留奧氏體合金度有所降低,因而Ms點升高,在冷卻到低溫時,部分殘留奧氏體發生馬氏體轉變,殘留奧氏體含量由20%~25%減少到約10%左右。但還需進一步降低殘留奧氏體含量,消除新產生的馬氏體引起的內應力,高速鋼一般需在560℃回火3次。
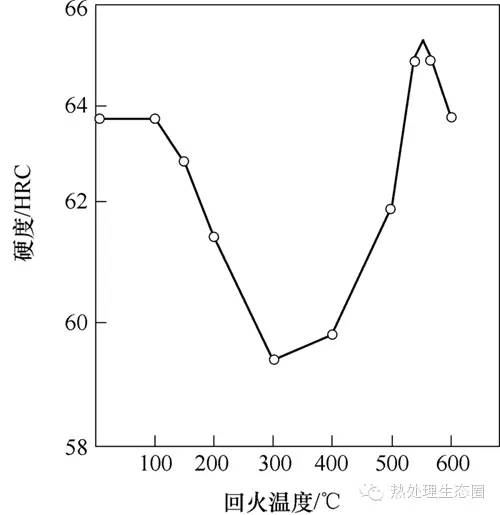
W18Cr4V鋼回火時的硬度變化如圖2所示,回火次數與殘留奧氏體量和硬度的關系如圖3所示,回火后的組織為回火馬氏體+碳化物。

圖1 高速鋼(W18Cr4V)常規淬火溫度淬火組織

圖2 高速鋼(W18Cr4V)回火時的硬度變化(1280℃淬火)

圖3 高速鋼(W18Cr4V)回火次數與殘留奧氏體量和硬度的關系
按照常規的工藝方法,經3次高溫回火后,高速鋼在組織和性能方面基本滿足其服役條件。不難看出,高速鋼經3次高溫回火的主要目的是消除殘留奧氏體及新產生馬氏體引起的內應力。但3次高溫回火的缺點也比較明顯,耗能大,操作較繁雜,生產周期較長。
有研究表明,高速鋼在油中從淬火溫度冷卻到50~120℃以后大約還有50%的殘留奧氏體未轉變。若這時再升溫到600~630℃保溫,從殘留奧氏體中析出碳化物,使殘留奧氏體中的碳及合金元素量減少,導致鋼的Ms點升高150~170℃,工件再冷到室溫時殘留奧氏體就基本可以完全轉變,所以一般只需一次回火。此外,由于殘留奧氏體轉變形成低碳非片狀馬氏體,使鋼的強度和韌性都大幅提高,有利于提高工件使用性能。
1、試料準備
M42(W2Mo9Cr4VCo8)化學成分(質量分數)為:wC= 1.05%~1.15%、wMn= 0.15%~0.40%、wW=1.15%~1.85%、wMo=9.00%~10.00 %、wCr= 3.50%~4.25%、wV=0.95%~1.35%、wCo=7.75%~8.75%、wSi≤0.65%、wS≤0.030%、wP≤0.030%、余量為Fe。將5支試樣(φ15mm×20mm)分為兩組,其中第一組試樣標記1#、2#;第二組試樣標記為3#、4#、5#。對第一組試樣采用新工藝,第二組試樣采用常規工藝,以便對照,具體工藝參數如表1所示。
表1 試樣淬火+回火工藝
組別 | 試樣 | 工藝路線 | |||
淬火加熱 | 淬火冷卻 | 回火工藝 | 回火次數 | ||
第一組 | 1 | RYD-75-9中溫鹽浴爐850℃預熱3~5min,轉至RYD-75-12高溫鹽浴爐,1180℃保溫3min | 出爐后油冷至50~120℃出油,試樣用油布稍微去油后轉至600℃一次分級爐進行二次加熱,保溫10min,出爐空冷 | 560±10℃,保溫2h,空冷 | 1 |
2 | 2 | ||||
第二組 | 3 | 油冷 | 1 | ||
4 | 2 | ||||
5 | 3 | ||||
2、試驗結果與分析
(1)回火組織
用DMM-400D金相顯微鏡觀察各組試樣的回火組織,如圖4、圖5所示。從回火后的顯微組織圖中,可以看出第一組的1#、2#試樣回火組織的殘留奧氏體明顯比第二組的3#、4#試樣要少。這表明,采用新工藝淬火+回火的試料殘留奧氏體明顯減少。

(a)1#

(b)2#
圖4 第一組試樣回火組織

(a)3#

(b)4#

(c)5#
圖5 第二組試樣回火組織
(2)硬度檢測
將回火后的試樣用HR-150A型洛氏硬度計檢測其洛氏硬度,如表2所示。無論第一、第二組的試料,回火次數越高,硬度也就越高,這與二次硬化理論相符。但經1次回火的1#試樣硬度達到了經3次回火的5#試樣的硬度,而經2次回火的2#試樣甚至高于5#試樣的硬度。
表2 試料回火后的硬度
試樣 | 硬度HRC | |
第一組 | 1 | 68~68.5 |
2 | 68.5~69.5 | |
第二組 | 3 | 65.5 |
4 | 67 | |
5 | 68~69 | |
3、結語
(1)采用新工藝淬火+回火的試料殘留奧氏體明顯少于常規工藝,新工藝只需一次回火,殘留奧氏體量即達到正常工藝的3次回火水平。這表明,當試料經二次加熱再冷至室溫時,殘留奧氏體就基本完全轉變,所以新工藝一般只需一次回火。
(2)從硬度檢測的結果及回火組織可以看出,采用新工藝淬火+回火的試樣經1次回火后從馬氏體中析出均勻彌散分布的碳化物,次生硬化效果明顯,硬度滿足熱處理技術要求。
(3)在淬火過程中回火工藝與常規工藝相比,在保證材料組織性能的前提下,不僅減少了能源消耗,而且也縮減了生產周期,簡化了生產工序,有利于提高生產效率。
作者:孫世偉
單位:中國南方航空工業(集團)有限公司
來源:《金屬加工(熱加工)》雜志
| |


