1
法蘭基本介紹
管法蘭及其墊片、緊固件統稱為法蘭接頭。

1、應用:
法蘭接頭是工程設計中使用極為普遍、涉及面非常廣泛的一種零部件。它是配管設計、管件閥門必不可少的零件,而且也是設備、設備零部件(如人孔、視鏡液面計等)中必備的構件。此外,其它專業如工業爐、熱工、給排水、采暖通風、自控等,也經常使用法蘭接頭。
2、材質:
鍛鋼、WCB碳鋼、不銹鋼、316L、316、304L、304、321、鉻鉬鋼、鉻鉬釩鋼、鉬二鈦、襯膠、襯氟材質。
3、分類:
平焊法蘭、帶頸法蘭、對焊法蘭、環連接法蘭、承插法蘭、及盲板等。
4、執行標準:
有GB系列(國家標準)、JB系列(機械部)、HG系列(化工部)、ASME B16.5(美標)、BS4504(英標)、DIN(德標)、JIS(日標)。
5、國際管法蘭標準體系:
國際上管法蘭標準主要有兩個體系。
以德國DIN(包括原蘇聯)為代表的歐洲管法蘭體系
以美國ANSI管法蘭為代表的美洲管法蘭體系。
2
12種法蘭類型及特點
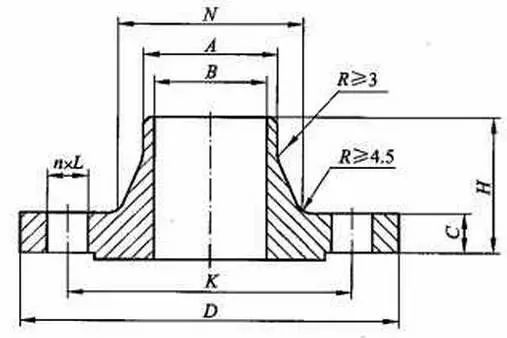
1、板式平焊法蘭

板式平焊法蘭(化工標準HG20592、國家標準GB/T9119、機械JB/T81)。
優點:
取材方便,制造簡單,成本低,使用廣泛。
缺點:
剛性較差,因此不得用于有供需、易燃、易爆和較高真空度要求的化工工藝配管系統和高度、極度危害的場合。
密封面型式有平面和突面。
2、帶頸平焊法蘭


帶頸平焊法蘭屬于國標法蘭標準體系,是國標法蘭(又稱GB法蘭)的其中一種表現形式,是設備或管道上常用的法蘭之一。
優點:
現場安裝較方便,可省略焊縫拍揉傷的工序。
缺點:
帶頸平焊法蘭頸部高度較低,對法蘭的剛度、承載能力有所提高。與對焊法蘭相比,焊接工作量大,焊條耗量高,經不起高溫高壓及反復彎曲和溫度波動。
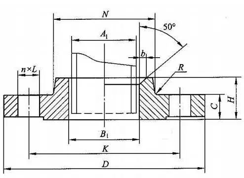
3、帶頸對焊法蘭

帶頸對焊法蘭的密封面形式有:
突面(RF)、凹面(FM),凸面(M)、榫面(T),槽面(G),全平面(FF)。
優點:
連接不易變形,密封效果好,應用廣泛,適用于溫度或壓力大幅度波動的管道或高溫、高壓及低溫的管道,也用于輸送價格昂貴介質、易燃易爆介質、有毒氣體的管道上。
缺點:
帶頸對焊法蘭的體積龐大,重量笨重,價格昂貴,安裝定位很困難,因此在運輸途中更容易磕碰。
4、整體法蘭


整體法蘭是一種法蘭的連接方式。也是屬于帶頸對焊鋼制管法蘭的一種。材質有碳鋼、不銹鋼、合金鋼等。
在國內各個標準之中,用IF來表示整體法蘭。多用于壓力較高的管道之中,生產工藝一般為鑄造。
在法蘭類型中就是用一個“IF”來表示整體法蘭的類型。一般為突面(RF),如果在易燃、易爆、高度和極度危害的使用工況之中,則可以選用除了RF面之外的凸凹面(MFM)及榫槽面(TG)的密封面的形式。
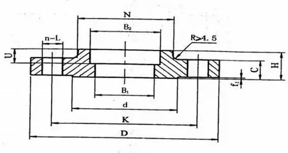
5、承插焊法蘭


承插焊法蘭是一端與鋼管焊接另一端用螺栓連接的的法蘭。
密封面形式:
突面(RF)、凹凸面(MFM)、榫槽面(TG)、環連接面(RJ)。
應用范圍:
鍋爐壓力容器、石油、化工、造船、制藥、冶金、機械、食品等行業。
常用于PN≤10.0MPa,DN≤40的管道中。
6、螺紋法蘭


螺紋法蘭是將法蘭的內孔加工成管螺紋,并和帶螺紋的管子配套實現連接,是一種非焊接法蘭。
優點:
它和平焊法蘭或對焊法蘭相比,螺紋法蘭具有安裝、維修方便的特點,可在一些現場不允許焊接的管線上使用。合金鋼法蘭有足夠的強度,但不易焊接,或焊接性能不好,亦可選擇螺紋法蘭。
缺點:
在管道溫度變化急劇或溫度高于260℃低于-45℃的條件下,建議不使用螺紋法蘭,以免發生泄漏。
7、對焊環松套法蘭

對焊環松套法蘭是可以活動的法蘭片,一般是配套在給排水配件上,廠家出廠時伸縮節兩端就各有一片法蘭,直接與工程中的管道、設備用螺栓連接。
作用:
使用對焊環松套法蘭的目的一般是為了節省材料,其結構分成兩部分,管子部分一頭和管道接,一頭做成對焊環。法蘭盤采用低等級的材料,而管子部分使用和管道一樣的材料,達到節省材料的目的。
優點:
節約成本,當管材材質特殊,價格昂貴時,焊接同樣材質的法蘭成本高。不便于焊接或不便于加工或需要的強度大,如塑料管、玻璃鋼管之類。便于施工,如連接時法蘭螺栓孔對應不便于找正或者防止日后更換設備法蘭螺栓孔有變等。
缺點:
承受壓力低、焊環處強度低(特別是厚度3mm以下時)。
8、平焊環松套法蘭


平焊環松套法蘭盤是可以活動的法蘭片,直接與工程中的管道、設備用螺栓連接。
使用平焊環松套法蘭盤的目的一般是為了節省資料,其結構分成兩部分,管子局部一頭和管道接,一頭做成翻邊,法蘭盤部分套在翻邊上。
優點:
方便于焊接或方便于加工或需要的強度大,如塑料管、玻璃鋼管之類。
便于施工,如連接時法蘭螺栓孔對應方便于找正或者防止日后更換設備法蘭螺栓孔有變等。
價格高貴時,節約本錢。當管材材質特殊,焊接同樣材質的法蘭成本高。
缺點:
接受壓力低。
焊環處強度低(特別是厚度3mm以下時)。
9、法蘭蓋


也稱盲板法蘭、盲板,是中間不帶孔的法蘭,供封住管道堵頭用。作用與焊接封頭及絲扣管帽是一樣的,只不過盲板法蘭和絲扣管帽可以隨時卸下來,而焊接封頭則不行。
法蘭蓋密封面:
平面(FF)、突面(RF)、凹凸面(MFM)、榫槽面(TG)、環連接面(RJ)
10、襯里法蘭蓋


襯里法蘭蓋是一種盲板法蘭,接近介質的一邊堆焊不銹鋼,為一個整體。襯里法蘭蓋在有腐蝕性介質的管道上作盲板用,與普通法蘭蓋的區別是,與介質接觸面增加了防腐襯層。
11、美標帶頸平焊法蘭


帶頸平焊法蘭連接于管端,主要是使管子與管子相互連接的零件。帶頸平焊法蘭上有孔眼,可穿螺栓,使兩法蘭緊連,法蘭間用襯墊密封。
墊片放在兩法蘭密封面之間,擰緊螺母后,墊片表面上的比壓達到一定數值后產生變形,并填滿密封面上凹凸不平處,使聯接嚴密不漏。法蘭聯接是一種可拆聯接,按所聯接的部件可分為容器法蘭及管法蘭。帶頸平焊法蘭適用于公稱壓力不超過2.5MPa的鋼管道連接。
帶頸平焊法蘭用于法蘭與管子的對口焊接,其結構合理,強度與剛度較大,經得起高溫高壓及反復彎曲和溫度波動,密封性可靠。公稱壓力為0.25~2.5MPa的帶頸平焊法蘭采用凹凸式密封面。
12、美標帶勁對焊法蘭


美標法蘭是使管子與管子相互連接的零件,連接于管端。美標對焊法蘭由鍛造而成和澆鑄而成兩種方法。
美標對焊法蘭根據帶頸情況可以分為帶頸美標對焊法蘭和不帶頸的美標對焊法蘭。
美標對焊法蘭由兩個法蘭盤加上法蘭墊,用螺栓緊固在一起,完成了連接。美標法蘭上有孔眼,螺栓使兩法蘭緊連,法蘭間用襯墊密封。
法蘭類型和密封面形式



我們在微信公眾號:steeltuber上面也發表了這篇文章:
常見的12種法蘭的優點和缺點
▲點擊上方鏈接查看▲


