案例分享:電動機軸疲勞斷裂分析
電動機軸的主要作用是支承電動機轉子旋轉,傳遞轉矩,其性能直接影響到電動機的使用壽命。空調系統中因電動機軸斷裂導致電動機傳動失效,造成出風系統異常,嚴重影響客戶使用效果,破壞品牌形象。因此,必須對電動機軸斷裂性質和原因進行分析,提前采取改善措施。該款電動機軸是使用45熱軋鋼,原材料是正火狀態,其強度、剛度、韌性能滿足一般電動機軸的使用需求。實驗室在對電動機進行1.2倍額定負載試驗時,發現其中一臺電動機軸在退刀槽位置斷裂。為了尋找斷裂原因,本文通過對軸承力學強度校核以及化學成分、材料硬度、金相組織檢測等,并結合對失效電動機軸斷口的宏觀和微觀分析,最終確定斷裂失效的主要原因。標準電動機的使用是根據軸承使用壽命進行選型,在設計階段已進行強度校核。當出現過載的情況時,電動機軸端受到的力遠超過該電動機允許的最大負載力,則會發生斷裂。根據試驗情況,此次斷裂軸承的實際負載為額定負載的1.2倍,而0.75kW的電動機設計允許負載為額定負載的2.3倍。同時核實各退刀槽倒角、槽寬及槽深均符合JB/ZQ4238—2006的要求。故本文認為電動機軸斷裂非設計選型不足導致的過載斷裂。故障件材料化學成分分析如表1所示,符合45鋼化學成分標準要求。
表1 故障件材料化學成分(質量分數) (%)

45鋼正火狀態的硬度一般≤229HBW。取失效件和正常件退刀槽位置同一圓周測試6個硬度值。由測試數據表2可知,斷裂電動機軸最小硬度值179.1HV,最大硬度值199.6HV,相對未斷裂電動機軸,其硬度不均勻。
表2 失效件及正常使用電動機軸硬度測試值 (HV)

電動機軸斷裂在退刀槽位置,如圖1、圖2所示。退刀槽位置未發現有機加工裂紋。使用30倍放大鏡觀察斷面,可見顏色明暗層次不同的區域,斷口邊沿位置有較多放射棱線,整個區域比較光亮、平滑,屬于多個疲勞源區;中間偏右發白比較粗糙位置為瞬斷區;源區和瞬斷區之間為裂紋擴展區,且能看到疲勞臺階;屬于典型的多源疲勞斷口。

圖1 電動機軸斷裂位置

圖2 壞件宏觀斷口圖
裂紋源位于斷面邊沿,在掃描電鏡下可以看到清晰的摩擦痕跡以及河流樣的類解理、沿晶混合形貌,如圖3、圖4所示。

圖3 失效件斷面邊沿類解理、沿晶混合形貌

圖4 失效件斷面邊沿摩擦痕
裂紋擴展區域是河流樣的類解理形貌,高倍下能看到疲勞條帶和二次裂紋,如圖5、圖6所示。

圖5 擴展區類解理形貌

圖6 擴展區二次裂紋
瞬斷區是韌窩和準解理混合形貌。高倍下能看到明顯的韌窩。失效件屬于多源疲勞斷裂,如圖7、圖8所示。

圖7 瞬斷區韌窩和準解理混合形貌

圖8 瞬斷區韌窩形貌
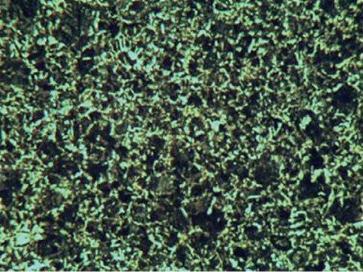
選取失效件的橫向及縱向截面作為檢驗面,鑲樣經粗磨、細磨、拋光后,使用4%硝酸酒精腐蝕后觀察其金相組織。橫向組織為狀態不均勻的珠光體和網狀鐵素體組成,珠光體較多,屬于中碳鋼正火態的室溫組織,如圖9、圖10所示。

圖9 斷面中間位置橫向組織(100×)

圖10 斷面邊沿位置橫向組織(100×)
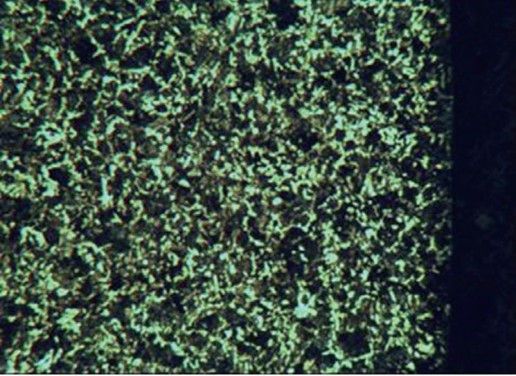
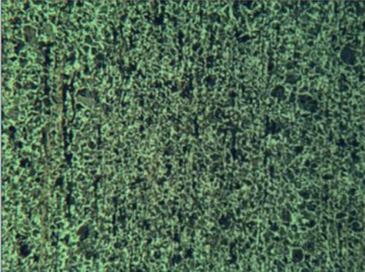
失效件縱向組織如圖11、圖12所示。鐵素體和珠光體呈平行交替的帶狀組織。原材料鋼經過鍛壓熱軋后鐵素體和珠光體一般會沿著變形方向分布。根據國標GB/T13299—1991《鋼的顯微組織游離滲碳體、帶狀組織及魏氏組織評定方法》,失效件的帶狀組織屬于C系列5級(見圖13),即變形鐵素體晶粒為主構成貫穿視場的鐵素體-珠光體不均勻的交替帶。

圖11 斷面中間位置縱向組織(100×)

圖12 斷面電動機軸邊沿位置縱向組織(100×)

圖13 C系利帶狀組織評級圖(5級)
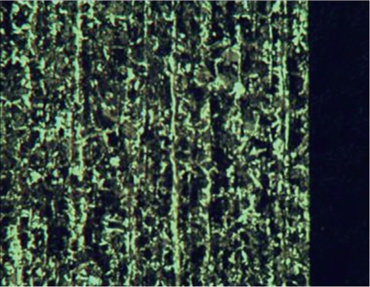
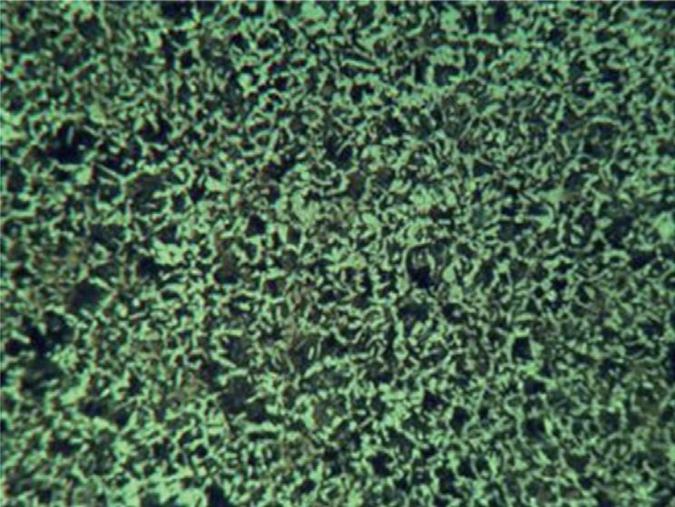
未斷電動機軸橫向組織為狀態均勻的珠光體和網狀鐵素體組成,視場中鐵素體較多,無馬氏體、回火索氏體等組織,屬中碳鋼正火態組織,如圖14、圖15所示。其縱向組織鐵素體聚集,沿變形方向取向,帶狀組織并不明顯,如圖16、圖17所示;按照國標GB/T13299—1991處于C系列1級(見圖18)。

圖14 電動機軸中心位置橫向組織(100×)

圖15 電動機軸外邊沿橫向組織(100×)

圖16 電動機軸中心位置縱向組織(100×)

圖17 電動機軸外邊沿位置縱向組織(100×)

圖18 C系利帶狀組織評級圖(1級)
失效件與正常使用電動機軸的室溫組織對比如表3所示。原材料熱鍛時溫度在鐵素體和奧氏體兩相區,鐵素體沿金屬流動方向直接從奧氏體中成帶狀析出,而未分解的奧氏體也被分割成帶狀,轉化為帶狀珠光體。故障件的帶狀珠光體比較多。此類偏析可以通過正火處理完全消除。失效件室溫組織評級更高,帶狀組織更明顯,屬正火處理不完全導致組織異常。
表3 失效件與正常使用電動機軸的室溫組織對比

帶狀組織的出現會導致材料力學性能呈現方向性,順著帶狀方向的強度、塑性、韌性較高,垂直帶狀方向的強度、塑性、韌性下降,同時使工件硬度不均勻。綜上所述,電動機軸斷裂失效的形式是多源疲勞斷裂。排除設計強度不足、材料成分影響及機加工裂紋。失效件由于正火處理沒完全消除帶狀組織,組織達到國標GB/T13299—1991《鋼的顯微組織游離滲碳體、帶狀組織及魏氏組織評定方法》C系列5級,導致硬度不均勻,力學性能下降,長時間荷載運轉下出現疲勞斷裂。
作者:盤瑋
單位:格力電器股份有限公司
來源:《金屬加工(熱加工)》雜志
(本平臺"常州精密鋼管博客網"的部分圖文來自網絡轉載,轉載目的在于傳遞更多技術信息。我們尊重原創,版權歸原作者所有,若未能找到作者和出處望請諒解,敬請聯系主編微信號:steel_tube,進行刪除或付稿費,多謝!)