案例分享:氣體滲氮后磨削崩邊
配油盤(見圖1)是液壓泵總成中的一個重要零件,與轉子組件組成液壓泵中的關鍵摩擦副。該配油盤材質為38CrMoAl,加工工藝流程為:鍛造→正火→調質→車銑加工→滲氮→磨削。其中調質技術要求為:調質硬度30~36HRC,金相組織按GB/T 11354—2005要求為1~2級;滲氮技術要求為:表面硬度≥900HV10,滲氮硬化層深度0.2~0.4mm,滲氮層脆性、疏松、氮化物均為1~2級合格。
圖1 配油盤宏觀照片
某批零件在磨削工序出現裂紋、崩邊脫落現象,如圖2所示,問題零件共200余件,缺陷均集中在配油盤的平面側,球面側未發現類似問題。針對這一問題,進行理化檢驗分析,以找出具體原因。
圖2 配油盤崩邊脫落照片
使用直讀式光譜儀對零件進行化學成分分析,該零件設計材質為38CrMoAl,實測結果見表1。表1 配油盤化學成分(質量分數) (%)

從化學成分可以看出,零件化學成分符合GB/T 3077—2015中關于38CrMoAl的要求。對零件正常部位取樣進行滲氮性能檢驗,包括表面硬度、脆性等級、疏松等級、氮化物等級,結果見表2。表2 配油盤正常無裂紋處滲氮表面硬度等參數

由表2可看出,正常部位滲氮后表面硬度、金相組織等均符合技術要求。
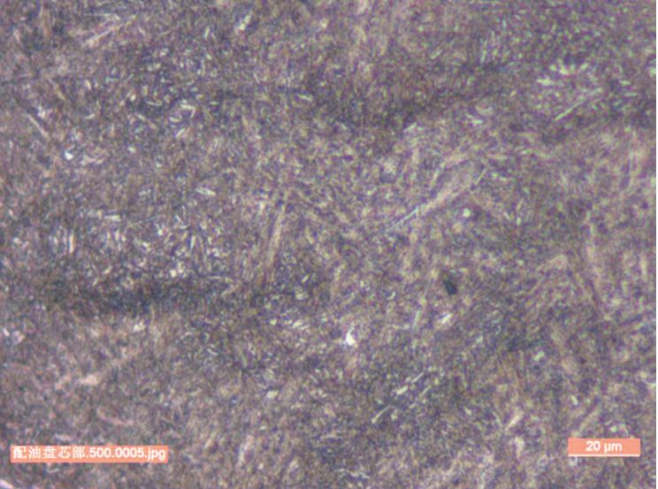
針對以上結果,特對發生裂紋崩邊處進行取樣,檢驗其滲氮金相組織,檢驗結果如圖3所示。
圖3 配油盤崩邊脫落處金相
從圖3可看出,零件表面最外層存在全脫碳層,氮化物嚴重超標,呈連續網狀分布。個別嚴重部位表面氮化物層已脫落,殘留次表面的脫碳層。經過以上理化分析,造成裂紋崩邊的直接原因是尖邊部位滲氮后表面產生嚴重的氮化物,在磨削過程中,尖邊處與砂輪摩擦會產生裂紋進而崩邊脫落。而造成嚴重氮化物的根本是滲氮前表面存在脫碳層,給嚴重氮化物的產生提供了基礎。下一步將對調質態毛坯樣件進行分析,以查找表面脫碳層產生的原因。對調質狀態原材料進行脫碳層深度檢驗,按GB/T 224—2008所規定的測定方法進行測定。實測脫碳層深約0.31mm,如圖4所示,調質態金相組織如圖5所示。

圖4 調質態脫碳層深

圖5 調質態金相組織
該工件表面預留加工余量約1.2mm,從理論上來說0.31mm的脫碳層是完全可以去除的,按廠內檢驗標準脫碳層深度不得超過成品加工余量的1/3,該調質態毛坯的脫碳層深是合格的。
最后通過對機加工過程的調查發現,該工件在前序車銑加工工序中,存在黑皮車不全等缺陷。對機加工定位夾緊工裝進行驗證,發現角度定位工裝出現偏移誤差,造成球面側與平面側實際加工余量嚴重偏差。通過演示計算分析,該批工件實際加工過程中,平面側加工余量最小處僅0.1mm,這就不能完全去除脫碳層,為后來的滲氮工序埋下隱患。
(1)該批配油盤尖角棱邊處氮化物超標,造成脆性嚴重,需報廢處理。(2)滲氮前零件表面不允許存在脫碳層,原材料檢驗過程中,應嚴格控制原材料脫碳層深度,不得超過后續加工余量的1/3。(3)各工序加工過程中應加強自檢,冷加工和熱加工工序間應加強溝通。作者:趙曉秀,劉愛龍,孟凡濤,楊同光
單位:山東常林機械集團股份有限公司節能液壓元件及系統國家重點實驗室
來源:《金屬加工(熱加工)》雜志
(本平臺"常州精密鋼管博客網"的部分圖文來自網絡轉載,轉載目的在于傳遞更多技術信息。我們尊重原創,版權歸原作者所有,若未能找到作者和出處望請諒解,敬請聯系主編微信號:steel_tube,進行刪除或付稿費,多謝!)