
金屬彎曲試驗是用規定尺寸彎心將試樣彎曲至規定程度,檢驗金屬承受彎曲塑性變形的能力并顯示其缺陷的試驗。
金屬彎曲試驗可在室溫 (冷彎試驗)或熱狀態(熱彎試驗)下進行。試樣的尺寸和形狀應按照金屬材料種類根據相關標準確定。彎曲試驗可在壓力機、特殊試驗機、萬能試驗機或圓口老虎鉗等設備上進行。如無適當設備,經雙方協議許可用手錘、機械錘或彎鉤機進行彎曲。金屬彎曲試驗時,在作用力下彎曲程度可分為下列三種類型:
① 達到某規定角度α的彎曲;

② 繞著彎心彎到兩面平行的彎曲;

③ 彎到兩面接觸的重合彎曲。



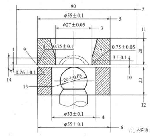
金屬杯突試驗是用球形沖頭將夾緊的金屬板或帶狀試樣壓入規定尺寸的沖模中直至出現穿透裂紋而測量杯突深度值的試驗。
金屬杯突試驗應在10~35℃下進行,嚴格要求時試驗溫度應為23℃±5℃,適用于厚度為0.2~2mm,寬度等于或大于90mm的金屬板和帶。試樣邊寬或直徑為90~95mm。金屬杯試驗在裝備有壓模、墊模和沖頭的試驗機上進行(見下圖)。金屬杯突試驗時,試樣兩面及沖頭應輕微地涂以石墨潤滑脂,調零后將試樣放在壓模和墊模之間夾緊,恒定的夾緊力約為10kN。在無沖擊的情況下進行杯突試驗,沖頭沖壓試樣的速度為5~20mm·min-1。試驗結束時,將速度降低到接近下限,以便正確地確定裂紋出現的瞬間。

圖 金屬杯突試驗示意圖
1-試驗厚度,用a表示;2-試樣的寬度或直徑;
3-壓模孔徑;4-墊模孔徑;5-壓模外徑;6-墊模外徑;
7-壓模孔內側圓角半徑;8-壓模外側圓角半徑;
9-墊模外側圓角半徑;10-壓模孔深度;11-壓模厚度;
12-墊模厚度;13-沖頭球形部分直徑,用d表示;14-杯突深度
金屬杯突試驗后,應以達0.1mm的精確度測量出現穿透裂紋時杯空深度,以IE表示,稱為杯空值。

金屬反復彎曲試驗是將試樣一端夾緊,在規定半徑的圓柱形表面上進行90的重復反向彎曲,檢驗金屬及其覆蓋層耐反復彎曲能力并顯示其缺陷的試驗。
金屬反復彎曲試驗僅在室溫下進行,它適用于截面積小于或等于120mm2的型截面線材(及條材)和厚度小于或等于5mm的帶材和板材。金屬反復彎曲試驗時,將試樣垂直地夾緊于試驗機夾口中,以確保試驗過程中試樣不產生位移。在與試驗機夾口相互接觸線呈直角的平面內沿左右方向作90°反復彎曲(如下圖所示),向左彎曲90°再返回向右彎曲90°作為一次反復彎曲。彎曲速度不得超過每分鐘60次,直到達到有關標準中規定的反復彎曲次數或試樣斷裂為止。

圖 反復彎曲示意圖
反復彎曲試驗在達到規定反復次數后檢查試樣及其覆蓋層的彎曲部位,在有關標準或技術協議未作具體規定的情況下,一般如無裂紋、裂口、裂斷、起層或起皮,即認為試樣合格。


金屬線材纏繞松懈試驗是將試樣沿螺旋方向以緊密的螺旋圈纏繞在規定直徑的芯桿上,檢驗有鍍層和無鍍層金屬線材承受纏繞和松懈變形的能力并顯示其缺陷及鍍層結合牢固性的試驗。
金屬線材纏繞松懈在室溫下進行,適用于直徑等于或小于10mm的圓形有鍍層和無鍍層金屬線材。試樣長度應符合試驗機的要求。
金屬線材纏繞松懈時,先將試樣放在木墊上用軟質錘輕輕打直(有鍍層線材應以木錘或橡皮錘輕輕打直)或以平穩的壓力壓直。然后將試樣一端固定在試驗機的直徑為D的芯桿上(見下圖),用手或以機械方法拉另一端b,轉動芯桿進行纏繞,纏繞的螺旋圈應貼緊芯桿排列,不得重疊。按照規定可以每分鐘15圈、20圈或60圈的速度纏繞至規定圈數,然后以均勻速度進行懈圈,懈圈的末端至少保留一個纏圈。如作一倍纏繞試驗,則將試樣彎成U字形,然后將一端繞著另一端纏繞成緊密排列的螺旋圈(見下圖)。

圖 金屬線材纏繞松懈示意圖

圖 一倍纏繞試驗示意圖
金屬線材纏繞松懈試驗后,檢查試樣表面,在有關標準或技術協議未作具體規定時,如無裂縫、鍍層開裂、脹落等,即認為試驗合格。


金屬線材扭轉試驗是將試樣兩端夾緊,一端夾頭圍繞試樣軸線旋轉,檢驗金屬線材在單向或交變方向扭轉時承受塑性變形的能力并顯示材料的均勻性、表面和內部缺陷的試驗。
金屬線材扭轉試驗在室溫下進行,一般適用于直徑0.3~10.0mm的冷拉及熱軋線材。試驗機兩夾頭間的標距長度應符合下表規定。
表 兩夾頭間標距長度/mm

金屬線材扭轉試驗時,夾緊在試驗機上的試樣一端不得活動,其縱軸須與夾頭之軸線重合,并施加一拉緊力。扭轉速度見下表
表 有關材質的線材直徑選用相應的扭轉速度

扭轉分為固定方向扭轉、交變方向扭轉及二重扭轉。固定方向扭轉是以試樣旋轉的一端轉動一整圈(360°)作為扭轉一次,交變方向扭轉是以試樣旋轉的一端向任一方向轉動一整圈(360°)作為扭轉一次,對于不同方向的扭轉次數應分別記錄;兩個并排在一起的試樣向同一方向扭轉的二重扭轉,是以旋轉夾頭轉動一整圈(360°)作為扭轉一次。試驗過程中如試樣發生嚴重劈裂,則最后一次扭轉數無效。
扭轉后用肉眼檢查試樣 (有特殊規定時也可用放大鏡)全長的扭轉均勻度、裂層、斷口形狀和缺陷以及錘擊試樣破壞時裂紋的表現,并根據有關標準及技術協議予以判定。

金屬薄板雙層咬合彎曲試驗是將金屬薄板及其覆層按規定尺寸及形狀咬合并彎曲,檢驗其塑性變形能力并顯示其缺陷的試驗。
金屬薄板雙層咬合彎曲試驗在室溫下進行,它適用于厚度小于0.8mm的薄板。試樣尺寸約為100mm×150mm,但咬合線應不小于150mm。金屬薄板雙層咬合彎曲試驗時,將兩塊薄板試樣按照下圖所示順序進行雙層緊密咬合,然后繞垂直于咬合縫的方向彎曲到α角近似為45°。打平(包括打平次數)或不打平應根據有關標準規定。彎曲和打平是在木質墊板上用木錘進行。彎曲時平整的一面作為彎曲外面。試驗時不允許反向彎曲。

圖 雙層緊密咬合順序
試驗后檢驗試樣金屬及其覆蓋層彎曲面,在有關標準未作具體規定的情況下,一般如無裂縫、裂斷或起皮,即認為試樣合格。

金屬不淬硬性彎曲試驗是檢驗金屬經接近于淬火溫度驟冷后承受規定彎曲程度的彎曲塑性變形的能力并顯示其缺陷的試驗。
金屬不淬硬性彎曲試驗在室溫下進行。試樣的尺寸和形狀應按照金屬材料種類根據相關標準確定。彎曲試驗可在壓力機、專用試驗機、萬能試驗機或圓口老虎鉗等設備上進行。如無適當設備,經雙方協議許可用手錘、機械錘或彎鉤機進行彎曲。
金屬不淬硬性彎曲試驗時,在作用力下彎曲程度可分為下列三種類型:
① 達到規定角度α的彎曲;

② 繞著彎心彎到兩面平行的彎曲;

③ 彎到兩面接觸的重合彎曲。

彎曲試驗后檢查試樣彎曲處的外面及側面,在相關標準或技術協議未作具體規定的情況下,一般如無裂紋、裂斷或起層,即認為試樣合格。

金屬鍛平試驗是將試樣在室溫或熱狀態下鍛擊至規定尺寸,檢驗金屬承受規定程度鍛平變形的能力并顯示其缺陷的試驗。
金屬鍛平試驗可在室溫或熱狀態下進行。試樣可從金屬條材、帶材、板材及鉚釘上切取。試樣的尺寸和形狀應按材料種類根據相關標準確定。金屬鍛平試驗可在壓力機、機械錘或鍛錘上進行,也可使用手錘或大錘。當進行金屬的鍛平試驗時,對于從條材或鉚釘料上切取的試樣,鍛平應進行到頭部直徑為腿徑的1.5~1.6倍,高度為腿徑的0.4~0.5倍,試驗前從模孔露出以承受鍛平部分的高度規定為腿徑的1.2倍;對于帶材及板材試樣,應鍛擊試樣使其寬度增至有關標準中的規定值,而長度一般應等于該值的2倍;試驗鉚釘頭時,鍛平應進行到鍛后鉚釘直徑和腿部直徑的一定比值時為止,此時腿部的長度等于模孔深度。鍛平試驗后檢查試樣變形部分表面,在有關標準或技術協議未作具體規定的情況下,一般如無裂縫或裂口,即認為試樣合格。

鋼的應變時效敏感性試驗是通過對比未經應變時效與經受應變時效試樣的沖擊吸收功來測定鋼對應時效敏感性的試驗。
鋼的應變時效敏感性試驗中的沖擊試驗一般在20℃±5℃溫度下進行,適用于厚度大于或等于6mm、其尺寸和形狀應能保證切取保留一面軋制面樣坯所需尺寸的鋼板、鋼帶、型鋼及異型鋼。試樣為10mm×10mm×55mm、7.5mmm×10mm×55mm、5mm×10mm×55mm帶缺口的沖擊試樣,建議盡量采用V形缺口沖擊試樣。鋼的應變時效敏感性試驗時,經受拉伸應變(殘余應變量,一般低碳鋼為10%,低合金鋼為5%)的樣坯所制備的試樣,在250℃±10℃下均勻加熱而人工時效保溫1h,然后在空氣中冷卻至室溫。在20℃±5℃溫度下按照金屬沖擊試驗方法標準進行沖擊試驗,由此測出的應變時效沖擊吸收功用AKUS或AKVS表示,然后按照下式確定應變時效敏感性系數C:

式中,AK為未經應變時效沖擊試樣的沖擊吸收功的平均值;AKS為經應變時效沖擊試樣的沖擊吸收功的平均值,通常對U形缺口試樣應變時效敏感性系數用Cu表示,對V形缺口試樣用Cv 表示.測定C值時一般不應少于6個試樣,3個未經應變時效,3個經受應變時效。

金屬線材反復彎曲試驗是將試樣經拔桿孔夾緊于夾口內,在規定半徑的彎曲圓弧平面內進行90°的重復反向彎曲,檢驗金屬線材的耐反復彎曲能力并顯示缺陷的試驗。
金屬線材反復彎曲試驗僅在室溫下進行,一般適用于直徑。0.3~10mm的冷拉及熱軋線材。試樣長度為100~150mm,可從線材任意部位切取。按照線材直徑選取試驗機上彎曲圓弧半徑及拔桿孔直徑。金屬線材反復彎曲試驗時,試樣需經過拔桿孔夾緊于夾口(或襯墊)內,但不準夾偏,同時線材應與通過彎曲圓弧中心線的平面垂直,依次向左方及右方作90°反復彎曲(如下圖所示)。試樣從起始位置向右彎曲90°作為第一次彎曲,試樣返回至起始位置,再向左彎曲90°作為第二次彎曲,試樣再返回起始位置并重新向右彎90°為第三次彎曲。依次反復彎曲至有關標準規定的彎曲次數或試樣折斷為止。記錄彎曲次數時,試樣折斷時的最后一次彎曲不計。在記錄試驗結果時,必須注明線材直徑、彎曲圓弧半徑、彎曲次數及所用標準號。

圖 線材反復彎曲示意圖

金屬管壓扁試驗是將金屬管壓扁至規定尺寸,檢驗其塑性變形能力并顯示其缺陷的試驗。
金屬管壓扁試驗通常在室溫下進行,適用于無縫和焊接金屬管。所試金屬管外徑和壁厚的范圍應在有關標準和雙方協議中規定。試樣長度大致等于金屬管外徑,外徑小于20mm者應為20mm,其最大長度則不超過100mm。金屬管壓扁試驗時,將試樣放在兩個平行平板之間,用壓力機或其他方法均勻地壓至有關標準或雙方協議中規定的壓板距離H或內壁距離h(見下圖),此距離應在負荷作用下測定。試驗焊接管時,焊縫位置應位于同施力方向呈90°的位置(見下圖)。壓扁速度應為20~50mm·min-1。壓扁試驗后,檢查試樣彎曲變形處,在有關標準或技術協議未作具體規定時,一般如無裂縫、裂口或焊接開裂,即認為試樣合格。

圖 壓扁試驗示意圖

圖 焊接管壓扁試驗時焊縫位置示意圖


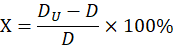
金屬管擴口試驗是將規定錐度的頂心壓入金屬管的一端,使其直徑均勻地擴張至規定尺寸,檢驗金屬管承受徑向擴張塑性變形的能力并顯示其缺陷的試驗。
金屬管擴口試驗可在室溫或熱狀態下進行,它適用于無縫和焊接金屬管。試樣長度在擴口錐度小于或等于30°時約為管外徑的2倍,錐頭大于30°時約為管外徑的1.5倍,但不得小于50mm。金屬管擴口試驗時,將一規定錐度的頂心用壓力機或其他方法壓入試樣的一端(見下圖),使其均勻地擴張到有關標準規定的擴口率X,X按下式計算:

式中,D為原試樣管端外徑,mm;DU為擴口后管端外徑,mm;頂心錐度根據有關標準規定可采用6°、20°、30°、45°、60°、90°或120°。推薦采用的頂芯角度為30°、45°和60°。有爭議時,頂心壓入速度應采用20~50mm·min-1。擴口試驗后,應檢查試樣擴口處,在有關標準或技術協議未作具體規定時,一般如無裂縫、裂口或焊縫開裂,即認為試樣合格。



金屬縮口試驗是將金屬管壓入規定錐度的座套中,使其直徑均勻縮至規定尺寸,檢驗金屬管承受徑向壓縮塑性變形的能力并顯示其缺陷的試驗。
金屬管縮口試驗可在室溫或熱狀態下進行。試樣長度約為2.SD+50mm (D為金屬管的外徑)。金屬管縮口試驗時,用手錘或壓力機將金屬管沖人或壓入具有規定錐度的座套中(見下圖),使其均勻地縮減到有關標準規定的縮口率X,X按下計算:

式中,D為原試樣管端外徑,mm;DU為縮口后管端外徑。座套的圓錐度一般為1:10,按規定也可采用1:5或其他錐度。縮口試驗后,檢查試樣的縮口處,在有關標準或技術協議未作具體規定時,一般如無裂縫和裂口,即認為試樣合格,如出現折斷,則必須取樣重試。

圖 金屬管縮口試驗示意圖


金屬管卷邊試驗是將規定形狀的頂心壓入金屬管的一端,使管壁均勻卷至規定尺寸,檢驗管壁承受外卷塑性變形的能力并顯示其缺陷的試驗。
金屬管卷邊試驗可在室溫或熱狀態下進行,一般在室溫下進行,適用于無縫和焊接金屬管。試樣長度為100mm,也可采用短試樣,但此時應保證試驗后圓柱部分的高度大于外徑之半。金屬管卷邊試驗時,用壓力機或其他方法將一定形狀的頂心壓入試樣的一端,使管壁均勻地卷至規定的要求(下圖)。卷邊寬度1和卷邊角度a應在有關標準中規定。卷邊時允許預先用適當角度的頂心(有異議時采用90°)進行擴口(下圖)。卷邊率X按下列公式計算:

式中,D為原試樣管端外徑,mm;DU為卷邊后管端外徑,mm。有異議時,頂心在試樣中壓入速度應采用不超過50mm·min-1。卷邊試驗后,檢查試樣卷邊處,在有關標準或技術協議未作具體規定時,一般如無裂縫,裂口或焊接開裂,即認為試樣合格。

圖 金屬管卷邊試驗示意圖

圖 卷邊前用頂心擴口示意圖

金屬管彎曲試驗是指在帶槽彎心上將試樣彎取至規定程度,檢驗金屬管承受彎曲塑性變形的能力并顯示其缺陷的實驗。
金屬管彎曲試驗通常在室溫下進行,適用于外徑不大于65mm的管材。對于外徑大于60mm的金屬管,如未規定作冷彎,則在熱狀態下(700~750℃)進行彎曲,也可按規定制成條狀試樣按照《金屬彎曲試驗方法》進行彎曲試驗。試樣可以從外觀檢查合格的金屬管的任意部位切取。試樣長度應能保證在規定的彎曲角度和半徑下進行彎曲。金屬管彎曲試驗時,根據有關標準規定的方法(機械或人工、帶填充物或不帶填充物、有彎心或無彎心),將一定長度的金屬管繞帶槽彎心連續緩慢地彎曲到規定的彎曲角度α(見下圖)。實驗過程中應避免金屬管彎曲截面成為顯著橢圓形。試樣的彎曲角度和彎心半徑在有關標準或技術協議中規定。試驗焊接管時,焊縫位置在有關標準中規定。如無規定,則焊縫可置于任意位置。

圖 金屬管彎曲試驗示意圖
彎曲試驗后,檢查試樣彎區處,在有關標準或技術協議未作具體規定時,一般如無裂縫、裂口、起層或焊接開裂,即認為試樣合格。

金屬管液壓試驗是用水或規定液體充滿金屬管,使它在一定時間內承受規定壓力,檢查金屬管質量及強度并顯示其缺陷的實驗。金屬管液壓試驗通常在室溫下進行,適用于鋼管、鑄鐵管及有色金屬管。可在經外觀檢查合格的一批金屬管中任意選取整根管作為試樣。實驗裝置可選用能滿足本試驗要求的任何類型的液體壓力機、連接部件及精度不低于1.5級的壓力計。試樣的兩端應與壓力機有關連接部件緊密連接。金屬管液壓試驗時,用水或規定液體充人管試樣中,均勻加壓,一直到到規定的最大試驗壓力,中間不得有沖擊現象。最大試驗壓力和試驗持續時間應在有關產品標準或技術協議中規定;如無規定,最大試驗壓力P可按下式計算:

式中,σ為充液應力,MPa;S為金屬管壁厚,mm;D為金屬管外徑。最大試驗壓力不得使金屬管產生永久變形,試驗持續時間一般不應小于5s。實驗過程中用肉眼觀察金屬管外表面和焊縫有無滲漏,如無滲漏而試驗后金屬管又未產生永久變形(膨脹),則認為金屬管液壓試驗合格。


