鋼在冷卻時的轉變之魏氏組織
魏氏組織的形成
在實際生產中,ωc<0.6%的亞共析鋼和ωc>1.2%的過共析鋼在鑄造、熱軋、鍛造后的空冷,焊縫或熱影響區空冷,或者當溫度過高并以較快速度冷卻時,先共析鐵素體或先共析滲碳體從奧氏體晶界沿奧氏體一定晶面往晶內生長,呈針片狀析出。
魏氏組織的微觀形態
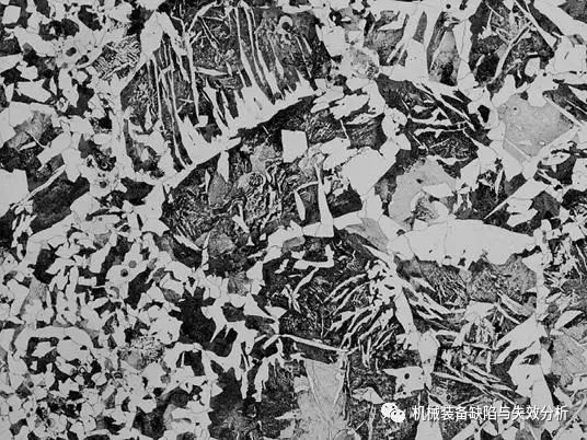
在金相顯微鏡下可以觀察到從奧氏體晶界生長出來的近平行的或其他規則排列的針狀鐵素體或滲碳體以及其間存在的珠光體組織,這種組織稱為魏氏組織,下圖為鐵素體魏氏組織與滲碳體魏氏組織。


魏氏組織的形成機制
魏氏組織中鐵素體是按切變機制形成的,與貝氏體中鐵素體形成機制相似,試樣也會出現浮凸現象。由于鐵素體是在較快冷卻速度下形成的,因此鐵素體只能沿奧氏體某一特定晶面析出,并與母相奧氏體存在晶體學位向關系。
這種針狀鐵素體可以從奧氏體中直接析出,也可以沿著奧氏體晶界首先析出網狀鐵素體,然后再從網狀鐵素體平行地向晶內長大。當魏氏組織中的鐵素體形成時,鐵素體中的碳擴散到兩側母相奧氏體中,從而使鐵素體針之間的奧氏體碳含量不斷增加,最終轉變為珠光體。按貝氏體轉變機制形成的魏氏組織,其鐵素體實際上就是無碳貝氏體。
影響因素
魏氏組織的形成與鋼中含碳量、奧氏體晶粒大小及冷卻速度(轉變溫度)有關,下圖表示各類鐵素體及滲碳體的形成溫度和含碳量的范圍。
由圖可見,只有在較快冷卻速度和一定碳含量范圍內才能形成魏氏組織(W區)。當亞共析鋼中碳的質量分數超過0.6%時,由于含碳量高,形成貧碳區的幾率很小,故魏氏組織難以形成。研究表明,對于亞共析鋼,當奧氏體晶粒較細小時,只有含碳量在ωc=0.15%~0.35%的狹窄范圍內,冷卻速度較快時才能形成魏氏組織。
奧氏體晶粒越細小,越容易形成網狀鐵素體,而不容易形成魏氏組織。奧氏體晶粒越粗大,越容易形成魏氏組織,形成魏氏組織的含碳量的范圍變寬。因此魏氏組織通常伴隨奧氏體粗晶組織出現。

魏氏組織的性能
(1)魏氏組織是一種鋼的過熱組織。它使鋼的力學性能,特別是沖擊韌度和塑性有顯著降低,并提高鋼的脆性轉折溫度,因而使鋼容易發生脆性斷裂。
(2)一般研究指出,只有當奧氏體晶粒粗化,出現粗大的鐵素體或滲碳體魏氏組織并嚴重切割基體時,才使鋼的強度和沖擊韌度顯著降低,而當奧氏體晶粒比較細小時,即使存在少量針狀的鐵素體魏氏組織,并不顯著影響鋼的力學性能。這是由于魏氏組織中的鐵素體有較細的亞結構、較高的位錯密度所致。因此所說的魏氏組織降低鋼的力學性能總是和奧氏體晶粒粗化聯系在一起。
(3)當鋼或鑄鋼中出現魏氏組織降低其力學性能時,首先應當考慮是否由于加熱溫度過高,使奧氏體晶粒粗化造成的。
(4)對于易出現魏氏組織的鋼材可以通過控制軋制、降低終鍛溫度、控制鍛(扎)后的冷卻速度或者改變熱處理工藝,例如通過細化晶粒的調質、正火、退火、等溫淬火等工藝來防止或消除魏氏組織。
魏氏組織鑒賞




鋼在冷卻時的轉變之馬氏體
馬氏體晶體結構、組織、性能
定義
(1)馬氏體轉變:鋼從奧氏體狀態快速冷卻,抑制其擴散性分解(低于MS點發生的無擴散型相變叫做馬氏體轉變。值得注意的是基本特征屬于馬氏體轉變的相變,其相變產物都稱為馬氏體。
(2)馬氏體:鋼中的馬氏體就其本質來說,是碳在α-Fe中過飽和的間隙固溶體。

馬氏體的晶體結構

馬氏體的組織形態
鋼中馬氏體有兩種基本形態:板條馬氏體(位錯馬氏體)、片狀馬氏體(又稱針狀馬氏體)。
(1)板條馬氏體 板條馬氏體是在低碳鋼、中碳鋼、馬氏體時效鋼、不銹鋼等鐵基合金中形成一種典型的馬氏體組織。

a)結構形態:馬氏體板條(D)→馬氏體束(B-2條;C-1條)→板條群(3~5個)→板條馬氏體。

b)密集的板條之間通常由含碳量較高的殘余奧氏體分割開,這一薄層殘留奧氏體存在顯著地改善鋼的力學性能。

c)板條馬氏體內有大量位錯,這些位錯分布不均勻。形成胞狀亞結構,稱為位錯胞,所以又稱位錯馬氏體。
(2)片狀馬氏體 高碳鋼(ωC>0.6%)、ωNi=30%的不銹鋼及一些有色金屬和合金,淬火時形成的片狀馬氏體組織。
a)結構形態:片狀馬氏體的空間形態呈凸透鏡狀,由于試樣拋磨與其截面相截,因此在光學顯微鏡下呈針狀或竹葉狀,故片狀馬氏體又稱針狀馬氏體或竹葉狀馬氏體。

b)顯微組織特征:馬氏體片互相不平行,在一個奧氏體晶粒內,第一片形成的馬氏體往往貫穿整個奧氏體晶粒,并將其分割成兩半,使以后形成的馬氏體片尺寸越來越小。

c)尺寸:最大尺寸取決于原始奧氏體晶粒大小,奧氏體晶粒越大,則馬氏體片越粗大。
d)隱晶馬氏體:當最大的馬氏體片細小到光學顯微鏡不能分辨時,便成為“隱晶馬氏體”在生產中正常淬火得到的馬氏體,一般都是隱晶馬氏體。

e)片狀馬氏體的亞結構主要是孿晶,因此片狀馬氏體又稱孿晶馬氏體。孿晶通常分布在馬氏體的中部,不擴展到馬氏體片的邊緣區,在邊緣區有高密度的位錯。在含碳量ωC>1.4%的鋼中可見到馬氏體片中的中脊線,它是高密度的細的微細孿晶區。

f)顯微裂紋:馬氏體形成速度極快,在其相互碰撞或奧氏體晶界相撞時將產生相當大的應力場,片狀馬氏體本身硬而脆,不能通過滑移或孿生變形使應力得以松弛,因此容易形成撞擊裂紋。
通常奧氏體晶粒越大,馬氏體片越大,淬火后顯微裂紋越多。顯微裂紋的存在增加了高碳鋼零件的脆性,在內應力的作用下顯微裂紋將會逐漸擴展成宏觀裂紋,可以導致工件開裂或使工件的疲勞壽命明顯下降。
g)馬氏體中的形態主要取決于奧氏體的含碳量,從而與鋼的馬氏體轉變開始溫度MS點有關,奧氏體含碳量越高,則MS、Mf點越低。


h)元素對馬氏體形態的影響:Cr、Mo、Mn、Ni(降低MS點)和Co(升高MS點)的元素都增加形成片狀馬氏體的傾向。
馬氏體的性能
(1)馬氏體力學性能顯著特點:高強度、高硬度。
(2)含碳量對馬氏體性能的影響:硬度主要取決于含碳量。ωC<0.5%時馬氏體的硬度隨著含碳量增加急劇增高,當ωC>0.6%左右雖然馬氏體硬度有所增高,但是由于殘余奧氏體量增加,反而使得鋼的硬度有所下降。

(3)合金元素對馬氏體的硬度影響不大,但可以提高強度。
(4)馬氏體高強度、高硬度的硬度是多方面的,主要包含:固溶強化、相變強化
以及時效強化,具體介紹如下:
固溶強化:間隙原子處于α相晶格的八面體間隙中,造成晶格的正方畸變,并形成了一個應力場。該應力場與位錯發生強烈的交互作用,從而提高馬氏體的強度。
相變強化:馬氏體轉變時在晶體內造成密度很高的晶格缺陷,無論板條馬氏體中的高密度位錯還是片狀馬氏體中的孿晶都阻礙位錯運動,從而使馬氏體強化。
時效強化:馬氏體形成以后,碳及合金元素的原子向位錯或其他晶格缺陷處擴散偏聚或析出,釘扎位錯,使位錯難以運動,從而造成馬氏體強化。
(5)馬氏體板條群或馬氏體片尺寸越小,則馬氏體強度越高;這是由于馬氏體相界面阻礙位錯運動而造成的,原始奧氏體晶粒越小,則馬氏體強度越高。馬氏體的塑性和韌性主要取決于它的亞結構。
孿晶馬氏體:高強度、但韌性差。
位錯馬氏體:高強度、良好的韌性。
(6)馬氏體的體積:在鋼中的各種組織中,奧氏體的比體積最小,馬氏體的比體積最大;因此,淬火形成馬氏體時由于鋼的體積膨脹是淬火時產生較大的內應力、引起工件變形甚至開裂的主要原因之一。
馬氏體轉變的特點
馬氏體轉變同其他固態相變一樣,相變驅動力也是新相與母相的化學自由能差,即單位體積馬氏體與奧氏體的自由能差。相變阻力也是新相形成時的界面能及應變能。
盡管馬氏體形成時與奧氏體存在共格界面,界面能很小,但是由于共格應變能較大,特別是馬氏體與奧氏體比體積相差較大以及需要克服切面阻力并產生大量的晶格缺陷,增加很大的彈性應變能,導致馬氏體轉變的相變阻力很大,需要足夠大的過冷度才能使相變驅動力大于相變阻力,以發生奧氏體向馬氏體的轉變。
馬氏體轉變開始溫度Ms點則可以定義為馬氏體與奧氏體的自由能差到相變所需要的最小驅動力值時的溫度。
馬氏體轉變是過冷奧氏體在低溫范圍內的轉變,相對于珠光體轉變和貝氏體轉變具有如下一系列特點:
馬氏體轉變的無擴散性
馬氏體轉變是奧氏體在很大過冷度下進行的,此時無論是鐵原子、碳原子還是合金元素原子,其活動能力很低,因而,馬氏體轉變是在無擴散的情況下進行的。只有點陣規則的重構,新相和母相無成分的變化。
馬氏體的轉變的切變共格性
切變:兩個距離很近、大小相等、方向相反的平行力作用于同一物體上所引起的形變。
馬氏體轉變時在預先拋光的試樣上表面出現傾斜,產生表面浮凸。這個現象說明馬氏體轉變和母相的宏觀有著直接的聯系,說明馬氏體是以切變方式形成的。

馬氏體和母相奧氏體保持共格,界面上的原子既屬于馬氏體又屬于奧氏體。
相界面是一個切變共格晶界,又叫慣習面;馬氏體轉變是新相在母相特定的晶面慣習面上形成的,并以母相的切變來保持共格關系的相變過程。

馬氏體轉變是在一個溫度范圍內進行的

馬氏體核胚形成位置
不是在合金中均勻分布的,而是在母相中某些有利的位置(晶格缺陷處、形變區、貧碳區)。

馬氏體轉變過程
與其他固態相變一樣,也是通過形核和長大的方式進行的;馬氏體轉變是原子的短程遷移,晶核形成后長大速度極快(102~106mm/s),甚至在極低溫度下仍能高速長大。

馬氏體轉變速度
取決于馬氏體的形核率,當大于臨界晶核半徑的核胚全部耗盡,相變終止。由于過冷度越大,臨界晶核尺寸越小,只有進一步降溫才能使更小的核胚成為晶核并長大成馬氏體。
一般工業用碳鋼及合金鋼,馬氏體轉變是連續(變溫)冷卻過程中進行的。鋼中奧氏體以大于臨界淬火速度的速度冷卻到MS點以下,立即形成一定數量的馬氏體,相變沒有孕育期;隨著溫度的下降,又形成一定數量的馬氏體,而先形成的馬氏體不再長大。馬氏體轉變量隨著溫度的降低而逐漸增加。

馬氏體的轉變量僅取決于冷卻所到達的溫度,而與保溫時間無關。

殘留奧氏體
高碳鋼和許多合金鋼的MS點在室溫以上,而Mf點在室溫以下,則淬火冷卻到室溫將保留相當數量未轉變的奧氏體,這個部分叫殘留奧氏體;如果為使殘留奧氏體全部轉變“冷處理”,可以放入液氮中處理。
影響殘奧數量的因素:碳含量越高,殘奧越多、含有降低Ms的元素,殘奧越多。
殘留奧氏體的機械穩定化:由于奧氏體在淬火過程中受到較大塑性變形或者受到壓應力而造成的穩定化現象叫做奧氏體的機械穩定化。殘留奧氏體就與機械穩定化有關,被包圍在馬氏體之間的奧氏體處于受壓縮狀態無法進行轉變而殘留下來。
形變誘發馬氏體(形變馬氏體)
在Ms點以上對奧氏體進行塑性變形可引起馬氏體轉變,變形量越大,馬氏體轉變量越多,這種現象稱為形變誘發馬氏體相變。

馬氏體轉變的可逆性
可逆性:在某些鐵和金、鎳與其他有色金屬中,奧氏體冷卻轉變為馬氏體,重新加熱時已形成的馬氏體又能無擴散的轉變為奧氏體。
一般碳鋼中不發生按馬氏體轉變機構的逆轉變,因為在加熱時馬氏體早已經分解為鐵素體和碳化物;這個過程為“回火”。
來源:機械裝備缺陷與失效分析
(本平臺"常州精密鋼管博客網"的部分圖文來自網絡轉載,轉載目的在于傳遞更多技術信息。我們尊重原創,版權歸原作者所有,若未能找到作者和出處望請諒解,敬請聯系主編微信號:steel_tube,進行刪除或付稿費,多謝!)

