前文回顧: 為什么亞共析鋼加熱很高溫度馬氏體會粗大?


亞共析鋼為什么加熱到Ac3線以上很高溫度馬氏體會粗大,殘余奧氏體多?
加熱到Ac3線以上問題會全部奧氏體化,在此期間晶粒會長大,成分更加均勻,可能奧氏體更加穩定吧,從而使殘奧相對增多,另外,這應該與淬火條件有很大關系吧,
淬火是加熱到奧氏體化溫度后冷卻。淬火溫度越高,淬火后組織越粗大,溫度高,晶粒界面吉布斯自由能高,要通過晶粒長大來降低,以致達到平衡;冷卻速度越快,殘余奧氏體越多吧。
建議你去看看馬氏體的形成機制和特點。加熱溫度高,奧氏體晶粒越粗大,而馬氏體晶粒會以奧氏體晶界為界限,不會跨越晶界成長。所以奧氏體晶粒越細小,限制內部的馬氏體晶粒數目一定的基礎上,也變得更細小。至于殘余奧氏體則跟冷速也有關。
定義
低碳合金鋼也叫低合金鋼,是指合金元素總量小于5%的合金鋼。低合金鋼是相對于碳鋼而言的,是在碳鋼的基礎上,為了改善鋼的性能,而有意向鋼中加入一種或幾種合金元素。加入的合金量超過碳鋼正常生產方法所具有的一般含量時,稱這種鋼為合金鋼。當合金總量低于5%時稱為低合金鋼,普通合金鋼一般在3.5%以下,合金含量在5-10%之間稱為中合金鋼,大于10%的稱為高合金鋼。
相關問題:連續退火后的低碳合金鋼金相組織圖片分析
金相組織分析
低碳合金鋼中的金相分析怎么做?怎樣區分板條馬氏體、板條貝氏體、鐵素體板條鐵素體等等這些東西?個人認為馬氏體、板條貝氏體(其中的基體是鐵素體)、以及常規鐵素體只是在含碳量和位錯密度上有所不同。可是形貌上我實在是不知怎么分辨?

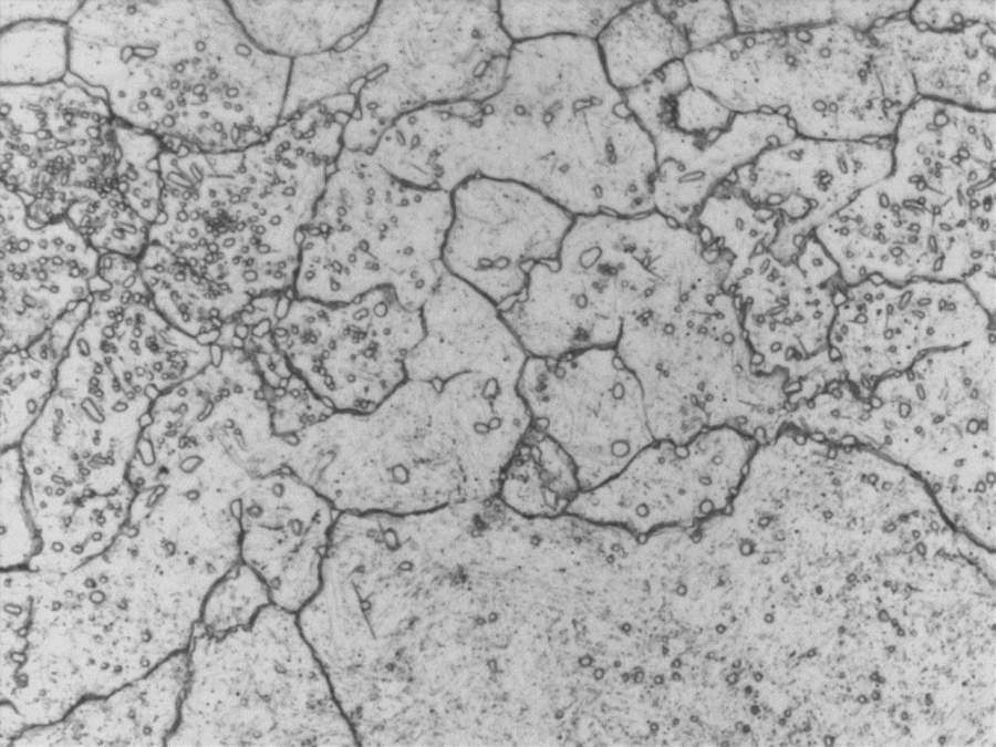
顯微鏡下的低碳合金鋼金相組織圖片
結合工藝進行分析好一些,以前做過低碳貝氏體鋼。從金相照片上也可以大致區分各類組織(包括板條狀貝氏體、粒狀貝氏體、針狀鐵素體和準多邊形鐵素體等,但僅依靠金相組織,粒狀貝氏體和粒狀珠光體我也區分不開),如果你是北科大的學生,可以直接請教賀信萊教授梯隊的老師。
鋼的分類
按國際標準,把鋼分為非合金鋼和合金鋼兩大類。非合金鋼是通常叫做碳素鋼的一大鋼類,鋼中除了鐵和碳以外,還含有爐料帶入的少量合金元素Mn、Si、Al,雜質元素P、S及氣體N、H、O等。合金鋼則是為了獲得某種物理、化學或力學特性而有意添加了一定量的合金元素Cr、Ni、Mo、V等,并對雜質和有害元素加以控制的另一類鋼。
原則上講,合金鋼分為低合金鋼、中合金鋼和高合金鋼。顧名思義,以含有合金元素的總量來加以區分,總量低于5%稱為低合金鋼,5-10%為中合金鋼,大于10%為高合金鋼。在國內習慣上又將特殊質量的碳素鋼和合金鋼稱為特殊鋼,全國31家特鋼企業專門生產這類鋼。如優質碳素結構鋼、合金結構鋼、碳素工具鋼、合金工具鋼、高速工具鋼、碳素彈簧鋼、合金彈簧鋼、軸承鋼、不銹鋼、耐熱鋼、電工鋼,還包括高溫合金、耐蝕合金和精密合金等等。
設備支持
低合金鋼的金相組織一般用金相顯微鏡觀察。


