鋼材等金屬材料鑄造缺陷
鑄造制品主要缺陷有偏析、氣孔、縮孔與縮松、夾雜、裂紋、冷隔及其他缺陷。
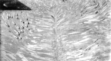
偏析——在鑄件中出現化學成分不均勻的現象。偏析使鑄件的性能不均勻,嚴重時會造成廢品。
偏析可分為兩大類:微觀偏析和宏觀偏析。
晶內偏析(又稱枝晶偏析)——是指晶粒內各部分化學成分不均勻的現象,是微觀偏析的一種。凡形成固溶體的合金在結晶過程中,只有在非常緩慢的冷卻條件下,使原子充分擴散,才能獲 得化學成分均勻的晶粒。在實際鑄造條件下,合金的凝固速度較快,原子來不及充分擴散,這樣按樹枝狀方式長大的晶粒內部,其化學成分必然不均勻。為消除晶內偏析,可把鑄件重新加熱到高溫,并經長時間保溫,使原子充分擴散。這種熱處理方法稱為擴散退火。
密度偏析(舊稱比重偏析)——是指鑄件上、下部分化學成分不均勻的現象,是宏觀偏析的一種。當組成合金元素的密度相差懸殊時,待鑄件完全凝固后,密度小的元素大都集中在上部,密度大的元素則較多地集中在下部。為防止密度偏析,在澆注時應充分攪拌或加速金屬液冷卻,使不同密度的元素來不及分離。
宏觀偏析有很多種,除密度偏析之外,還有正偏析、逆偏析、V形偏析和帶狀偏析等。
偏析金相組織見圖1:

圖1
邊部灰色處為反偏析區
金屬在凝固過程中,氣體的溶解度急劇降低,在戮度很大的固態金屬中難以逸出而滯留于熔體內形成氣孔。與縮孔縮松的形態不同,氣孔一般呈圓形、橢圓形或長條形,單個或成串狀分布,內壁光滑。孔內常見氣體有H2、CO、H2O、CO2等。按氣孔在鑄錠中出現的位置分為內部氣孔、皮下氣孔和表面氣孔。氣孔的存在減少了鑄錠的有效體積和密度,經加工后雖可被壓縮變形,但難以焊合,結果造成產品的起皮、起泡、針眼、裂紋等缺陷。
氣孔形態金相組織見圖2:


圖2
澆鑄時由模底和模壁產生的氣體來不及逸出而沿結晶方向形成氣孔
金屬在凝固過程中,發生體積收縮,熔體不能及時補充,而在最后凝固的地方出現收縮孔洞,稱為縮孔或縮松。容積大而集中的縮孔稱為集中縮孔,細小而分散的縮孔稱為縮松,其中出現在晶界和枝晶間借助于顯微鏡觀察的縮松稱為顯微縮松。
縮孔表面多參差不齊,近似鋸齒狀,晶界和枝晶間的縮孔多帶棱角 , 有些縮孔常為析出的氣體所充填,孔壁較平滑,此時的縮孔也是氣孔,縮孔內往往伴生低熔點物。
縮孔均出現在斷面的中心區。位于頭部的縮孔多呈錐形,內表面參差不齊或 有粗大的結晶組織。位于中部的斷續縮孔多為形狀不規則的大小孔洞,內部有時會充有金屬凝固時析出的氣體,表面較光滑,在以后的加工中往往難以焊合而形成分層和氣泡。縮孔的附近還易造成應力集中而在加工中產生裂紋。
縮松常分布于斷面的中心附近或整個斷面,有時出現在縮孔附近,呈細小分散的孔洞分布于晶界或枝晶間隙。有些細小的縮松肉眼難以發現,僅借助于顯微鏡或水壓試驗才能察覺。疏松造成金屬組織的不致密,因而大大降低合金的機械性能和抗蝕能力。
縮孔和縮松區域的大小與合金的凝固收縮系數,金屬液體的流動性,結晶溫度范圍的寬窄,鑄錠的斷面尺寸、澆鑄溫度以及凝固條件等因素有關。合金的凝固收縮系數愈大,鑄錠斷面的尺寸愈大,縮孔將愈嚴重。合金的結晶溫度范圍越窄,流動性越好,則縮孔越集中;反之如合金的結晶溫度越寬,凝固時的結晶過渡帶越寬,則愈易形成縮松。
縮孔與縮松產生的主要原因有:熔煉工藝不合理,澆鑄溫度較低,補縮不良,斷流;冷卻強度較大,澆鑄速度快;結晶器設計不合理,保溫帽太低、潮濕;合金結晶溫度范圍寬,流動性差等。
縮孔與縮松形態金相組織見圖3、圖4:

圖3
鑄造終了時補縮不良而在頭部形成縮孔,縮孔內有氣體未得逸出

圖4
橫截面存在分散縮孔,周圍并伴生縮松及小裂紋
與基體有明顯分界面,性能相差懸殊的金屬或非金屬物稱為夾雜。
按夾雜的性質可分金屬夾雜和非金屬夾雜兩類。金屬夾雜指不溶于基體金屬的各種金屬化合物初晶及未熔化完的高熔點純金屬顆粒以及外來異金屬;非金屬夾雜包括氧化物、硫化物、碳化物、熔劑、熔渣、涂料、爐襯碎屑以及硅酸鹽等。
按夾雜來源的不同可分內生夾雜與外生夾雜。內生夾雜可能以游離狀態或與基體金屬結合成化合物的狀態存在,也可能是多種雜質的互相結合。
內生夾雜中先析出的高熔點金屬化合物初晶或純金屬多呈規則的顆粒狀、塊狀、片狀或針狀,分布極不均勻。而低熔點金屬化合物則常沿晶界或枝晶軸間析出呈液珠狀、球狀、網絡狀或薄膜狀等。壓力加工時,塑性良好的夾雜可沿加工方向拉長變形,塑性不良的夾雜仍保持鑄造時形態或破碎成更小的顆粒,呈斷續的鏈狀沿加工方向分布。
外來夾雜是在生產過程中從爐襯、工具上的剝落物,通常較粗大而形狀不定。由于與基體有完全不同的化學組成和組織,因而在折斷口或切削加工時即可根據不同的色澤與受蝕情況被發現。
鋼鐵中非金屬夾雜物形態見圖5:


圖5
鋼鐵中非金屬夾雜物
金屬在凝固過程中產生的裂紋稱為熱裂紋;凝固后產生的裂紋稱為冷裂紋。裂紋破壞了金屬的完整性,除少數可通過及時加工除去外,通常在以后的加工和 使用過程中會沿著應力集中區域進一步擴大,最后導致破裂。
熱裂紋是在鑄錠尚未完全凝固或雖已凝固而晶界和枝晶間尚有少量低熔點相時,因金屬液態、固態收縮及凝固收縮受到阻礙,當收縮應力超過了當時的金屬強度或線收縮大于合金延伸率時形成的。按出現的部位不同,熱裂紋可分為表面裂紋、中心裂紋、放射狀裂紋及側面橫裂紋等。熱裂紋多沿晶界擴展,曲折而不規則,常出現分枝,裂紋內可能夾有氧化膜或表面略帶氧化色。
影響熱裂紋的因素有合金的本性(合金的凝固收縮系數和高溫強度等),澆注工藝和鑄錠結構等方面。合金中某些元素及不溶性的低熔點雜質能明顯增大熱裂傾向。半連續鑄錠的冷卻速度較大因而比鐵模鑄錠熱裂傾向大得多,鑄造中加大鑄造速度也會增大熱裂傾向,從鑄錠結構看,截面尺寸越大,則愈易發生熱裂。
冷裂紋是在鑄錠冷卻到溫度較低的彈性狀態時,若錠坯內外還存在較大的溫差,則收縮應力可能集中于某些薄弱區域。一旦應力超過了金屬的強度和塑性極限,鑄錠將出現冷裂。冷裂紋的特征是多呈穿晶開裂,多呈直線擴展,裂紋較規則、挺拔平直。冷裂紋往往由熱裂紋發展而來。
鑄造裂紋產生的直接原因是存在鑄造應力,引起的因素有:鑄造溫度不合適,速度快,冷卻速度過大或過小,冷卻不均勻;連鑄拉停工藝不當;合金本身有熱脆性,強度差;覆蓋劑或潤滑劑選擇不合理;結晶器、坩堝、托座、澆鑄管等設計不良,變形或安裝不當。
鑄造中冷熱裂紋如圖6、圖7:

圖6
因鑄造速度過快引起的中心熱裂紋


圖7
內部應力冷裂紋
鑄錠表面出現折皺或層疊狀的缺陷,或者內部出現金屬不連續現象統稱冷隔。
冷隔的鑄錠外表面不平整,層與層之間不連續,橫斷面分層,中間往往有氧化膜并伴生氣孔等缺陷。
冷隔按形態可分折皺式和層疊式兩種。當澆鑄溫度較低,金屬液面產生的薄膜凝殼未能與后來澆入的金屬熔合,便產生折皺式冷隔。層疊式冷隔較為多見,這是由于金屬液的靜壓力大于金屬的表面張力和氧化膜的強度,金屬液沖破氧化膜而進入結晶器壁,但強烈地冷卻使金屬的流動性很快降低,結果不能與氧化膜凝殼熔合而形成層疊式冷隔。
冷隔按出現的部位不同分表面冷隔、皮下冷隔和中心冷隔。
冷隔產生的原因:澆鑄溫度低,冷卻水壓高,澆速不穩定,液面波動大,中間斷流,補縮不良是形成冷隔的重要因素;嚴重的表面冷隔向鑄錠內延伸,還引起皮下冷隔;結晶器內壁結構設計不合理,選材不當等也能導致冷隔的出現。
冷隔是鑄錠常見缺陷之一,影響金屬表面和內部的完整性,且會影響加工和 使用,嚴重時引起加工裂紋和其他表面缺陷。
冷隔缺陷形態如圖8所示:


圖8
中心冷隔
鑄錠不同部位晶粒大小差異較大的現象稱為晶粒不均。
常見的有:扁錠結晶中心線偏離中心,兩側粗大柱狀晶,方向相差較大,柱狀晶扭曲,方向紊亂;圓錠偏心嚴重,局部粗大柱狀晶,局部晶粒細小;懸浮晶或其他異常粗大晶粒。
產生的主要原因:結晶器內壁粗糙,結晶器變形,潤滑油涂料分布不勻;冷卻強度差異較大,冷卻水分流不均,射角不合理,方向紊亂;澆鑄時間長,澆溫低,冷卻緩慢等。
典型晶粒不均如圖9所示:


圖9
晶粒嚴重不均勻,結晶方向絮亂
鑄錠常見的表面缺陷還有:疤痕、麻面、麻坑、毛刺、縱向條痕,橫向竹節等。
(1)麻面
鑄錠表面的各種不平整現象稱為麻面。
麻面上常有顆粒狀凸起和砂眼,并伴生有涂料、覆蓋劑、氧化物等污物。產生的主要原因是鑄造溫度低、速度慢;結晶器內壁不光滑或覆蓋劑不良;漏斗堵塞等。
(2)毛刺
鑄錠表面、邊角、出現尖銳狀金屬凸起現象稱為毛刺。
產生的主要原因是結晶器內壁不光滑;空心鑄坯連鑄芯桿質量不好。
(3)縱向條痕
鑄錠表面呈連續或斷續的縱向條狀凸起或凹陷稱為縱向條痕。
產生的主要原因是結晶器內壁鉆有金屬或其他氧化物或其上產生磨損的凹槽;內襯裝配縫隙較大。
(4)竹節
具有拉停工藝的連鑄坯,表面出現較大的周期性的凹凸現象稱為竹節。
產生的主要原因是拉停工藝不當或者結晶器、模具變形。
鋼材等金屬材料加工成形缺陷
金屬在加熱或加工過程中, 由于溫度高,時間長,導致組織及晶粒粗大的現象稱為過熱;當金屬在近于熔化溫度下加熱或嚴重過熱時,晶間局部低熔點組元熔化或晶界弱化現象稱為過燒。
過熱后表面出現粗糙的麻點,桔皮,晶粒粗大等現象。過熱了的合金強度雖下降不多,但室溫下的沖擊韌性和塑性卻大大下降。材料變脆,斷口上顯現粗大的結晶顆粒。高倍下觀察除粗大的等軸晶外,或有粗大的第二相,或有粗大的魏氏組織。過熱并非絕對廢品,有時可通過再變形、再處理等方法予以矯正或降級使用。
過燒后表面粗糙,晶界變粗、變直、發毛,甚至出現裂紋,還會出現易熔化和氧化薄膜層;過燒使金屬結合力大大降低;顯微組織中出現晶界加粗,熔化空洞或共晶球,熔化的液相網,甚至在幾個晶粒的交界處有熔化出現的不規則空洞等現象;軋制時或擠制后出現晶界裂紋、板材側裂、棒材頭部開花、張口裂或裂成碎塊,開裂部位能看到粗大枝晶和熔化的痕跡。
過熱與過燒產生的主要原因有:加熱溫度高,時間長或局部長時間處于高溫源處;熱加工終了溫度過高或者在高溫區停留時間過長;合金中存在低熔點組元,或低熔點夾雜較多。
(1)加工裂紋
加工工藝不當或工序存有缺陷時均能引起加工裂紋。加工裂紋也可分為熱裂紋和冷裂紋兩類,其區別在于裂紋周圍的顯微組織,前者無明顯變化而后者有嚴重變形。就形態上來分有縱向裂紋、橫向裂紋、側裂、張口裂、螺旋狀裂紋、周期性橫裂、斷裂、呈45°的斜裂紋以及不規則裂紋等。按分布則可分局部裂紋、頭部開裂、表面裂紋、中心裂紋以及晶間裂紋等。
加工裂紋的產生原因應從金屬本身及加工工藝兩方面來分析。
屬于金屬本身的有以下幾方面因素:合金的成分和雜質含量;鑄錠存在冷隔、斑疤和偏析瘤等表面缺陷,縮孔、疏松、氣孔、夾雜、偏析等內部缺陷時,加工時易沿此而產生裂紋;發達的柱狀晶構明顯弱面時易沿晶界或弱面開裂;合金在上道工序存有裂紋、過燒、過熱,或第二相分布不良,組織不勻,以及相變引起的微裂紋等缺陷。
(2)熱處理裂紋
①合金內部存在較大的殘余應力時,如加熱引起的熱應力與殘余應力方向一致而疊加超過金屬強度時會造成開裂。
②合金在加熱過程中有第二相沿晶界析出而形成第二類附加應力,或因相變而發生明顯的體積改變時亦可發生裂紋。
圖10為軋制時出現的各種裂紋示意圖:

圖10
加工制品表面和內部出現的與基體有明顯分界面,性能相差懸殊的金屬或非金屬物稱為夾雜。
加工制品中夾雜主要來源于鑄錠中未熔化完的金屬顆粒,形成大塊初晶或異金屬進入;或夾有金屬化合物以及硅酸鹽、覆蓋劑等。
其分類和特征與鑄造制品夾雜基本一致。加工制品夾雜一般呈顆粒狀、長條狀沿加工方向分布,有一定形態和顏色,界面明顯,不用侵蝕即可在金相顯微鏡下發現。
金屬或非金屬壓入制品表面稱為異物壓入。
金屬壓入物與基體有明顯分界面,輪廓清楚,有不同的金屬光澤,呈點狀、塊狀,剝落后形成凹坑;非金屬壓入物形態不一,顏色各異,多呈脆性,無金屬光澤,呈點狀、片狀、長條狀沿加工方向分布,不易剝離。
異物來源:加熱形成的氧化皮、潤滑劑黏附在工模具和制品表面;工模具的碎片及黏附物;裂邊的金屬屑、毛刺及飛邊;熱處理爐的爐屑、油污;乳液內的雜物;軋道及導板上的異物。
制品經加工或退火后,表面出現沿加工方向分布的條狀或泡狀鼓起,剖開后為一空腔這種鼓起稱為鼓泡。
鼓泡多呈條狀,表面光滑,沿加工方向拉長,剖開后內壁呈光亮的金屬色澤,個別伴有氧化物或其他夾雜。鼓泡大多兩面對稱分布,在較薄的板帶材或薄壁管中比較明顯。
鼓泡產生的主要原因有:鑄錠中存在氣孔,縮孔等缺陷;坯料退火時,爐內氣氛控制不當,爐溫過高;管棒材擠壓時鑄錠與擠壓筒、擠壓墊配合不良或者擠壓筒、穿孔針潤滑過量,擠壓筒清理不干凈,穿孔針有裂紋等。
制品厚度方向出現縫隙,對應的加工方向分開成層。
層與層之間接觸平整,面積較大,有些有氧化物或夾雜,常出現在薄帶材中或薄帶材經焊接后表現出來。管棒材斷口檢查時也會出現斷口分層現象。
分層產生的主要原因有:鑄錠中有氣孔、縮孔、縮松、夾雜等缺陷,經加工后形成分層;板帶材熱軋道次壓下量分配不當,壓下量過大;鑄錠加熱不均勻,加熱溫度過高或過低;管棒材擠壓筒或穿孔針潤滑過量,穿孔針有裂紋或擠制品縮尾未切凈,經進一步拉伸、軋制形成分層。
制品表面與周圍介質接觸,發生化學或電化學反應,在表面形成產物膜的過程稱為腐蝕。
腐蝕后表面失去金屬光澤,形成顏色各異的腐蝕色斑。
腐蝕形成的原因有:制品表面不清潔,殘留有水、乳液等殘液,或者放置保管不當,氣候潮濕或水滴侵入表面;環境中有腐蝕性氣氛。
制品在較高溫度下,與氧接觸生成氧化物稱為氧化。
氧化后呈現深淺不同的氧化色,失去金屬光澤,嚴重的出現氧化皮。
氧化產生的主要原因有:退火爐呈氧化性氣氛;退火出爐溫度高或在空氣中暴露時間長,表面自然氧化;軋件余溫較高,卷取或堆垛后形成氧化。
制品表面局部破裂翻起稱為起皮。制品表面出現針尖狀金屬細絲狀翹起稱為起刺。
起皮或起刺一般沿軋制方向呈連續的或斷續的分布,起皮部位往往有氧化皮或其他污物、夾雜等。管棒材起皮一般沿加工方向形成舌狀、魚鱗狀翹起,嚴重的貫穿整個制品,局部嚴重的形成結疤。起刺多出現于軋制品的最后工序。
起皮產生的主要原因有:鑄錠有缺陷,表面不平整;加工溫度過高致制品表面氧化或上道工序導致表面有缺陷;軋輥上、擠壓筒內、穿孔針上有水、油等臟物;加工工具有缺陷,加工過程機械損傷。
起刺產生的主要原因有:軋輥龜裂;坯料邊部不平整,有不規則凹陷等。
制品表面不平整,呈輕微波紋狀凹陷和凸起稱為起皺。
起皺一般與軋向一致或斜向分布,呈單條或多條隆起,手感較圓滑,面積較大。
起皺產生的主要原因有:軋件不平整,或單向彎曲平直度差;張力不均勻(張力輥或張力套筒不平整);管材坯料塑性差,偏心嚴重;厚壁管變形不均勻,或變形量過大;軋輥調節不良及其他工藝缺陷。
制品表現出現微小的點狀凹陷不平的粗糙面稱為麻面。
麻面呈局部或連續成片分布,個別的稱為麻點,嚴重的稱為麻坑。晶粒粗大引起的麻面俗稱桔皮。
麻面產生的主要原因有:退火溫度過高,時間過長,晶粒粗大;過酸洗;加工率過小,表面不光滑;軋輥表面硬度不均勻,磨損嚴重,軋制工具銹蝕、有氧化皮或異金屬。
外力作用于制品表面或板帶箔材層與層之間的錯動,引起表面呈條狀、束狀、凹坑狀、尖銳溝槽狀及其他形狀的傷痕,常見的有擦傷、劃傷、碰傷和壓傷。
制品經軋制或退火后,不同部位化學成分存在較大差異的現象稱為成分不均。成分不均能引起顏色或變形特性差異,宏觀檢驗能看到成分偏析點或偏析區,顯微組織和性能有差異,甚至出現開裂。


